[Show all top banners]

Top Bahadur
Replies to this thread:

More by Top Bahadur
What people are reading
Subscribers
:: Subscribe
Back to: Kurakani General Refresh page to view new replies
 ONLY ELECTRICAL ENGG
[VIEWED 6684 TIMES]
SAVE! for ease of future access.
Posted on 11-30-06 3:49 PM     Reply [Subscribe]
Login in to Rate this Post:     0       ?    
 

any body can solve it....I have to submit it tomarrow.....I did it but I am not sure whether that is correct or not...

 
Posted on 11-30-06 3:52 PM     Reply [Subscribe]
Login in to Rate this Post:     0       ?    
 

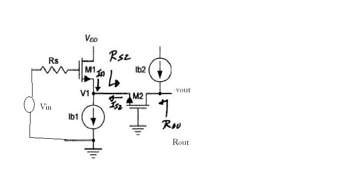
here is the diagram...

 
Posted on 11-30-06 6:06 PM     Reply [Subscribe]
Login in to Rate this Post:     0       ?    
 
 
Posted on 11-30-06 7:34 PM     Reply [Subscribe]
Login in to Rate this Post:     0       ?    
 

खोइ तेतिका आउथे MS ELECTRICAL engg पढ्न , कसैले पनि सकेन कि के हो, येस्मा small signal and large signal model both consider garna parchh। analong side तिर कोहि छैन कि के हो??
 
Posted on 11-30-06 8:06 PM     Reply [Subscribe]
Login in to Rate this Post:     0       ?    
 

When is it due Top Bahadur? Can you work with Pspice to check your values?
 
Posted on 11-30-06 8:08 PM     Reply [Subscribe]
Login in to Rate this Post:     0       ?    
 

Silly me, didn't read the deadline! Pspice might be able to help you, not quite sure though.
Good Luck!
 
Posted on 11-30-06 8:40 PM     Reply [Subscribe]
Login in to Rate this Post:     0       ?    
 

lazy top bahadur. study like your name... lazy ass
 


Please Log in! to be able to reply! If you don't have a login, please register here.

YOU CAN ALSO



IN ORDER TO POST!




Within last 90 days
Recommended Popular Threads Controvertial Threads
Democrat wants to run election like in India. Chaos and Confusing to voters.
ए १ पनि पुगेनछ ?
Breaking News: Ninth Circuit Rejects Government Bid to Undo Nepal TPS Order, Leaves Protections in Place
नोबेल शान्ति पुरस्कार र अशान्त राष्ट्रपतिको बालहठ
200 denaturalization cases per month to the Department of Justice for the 2026 fiscal year.
Funny when Nepalis talk about Epstein and injustice
मिरो प्रेडिक्शन जन्मेर एमेरिकामा आखा खो ल न पायेका नागरिकता बारे
नेपाली वालमार्ट चोर
H1B
मानसिक सन्तुलन, एक कहालीलाग्दो घटना सिक्नुपर्ने कुराहरु
When will Nepali women be equal?
Why Prachanda seems to be the smartest of them all?
When will the culture of impunity end?
बालेंन आए पछि आशाका किरण देखिन थालेका छन् !!
Can we really get rid of Nepotism in the government?
नेपाली ससुरोले वर्जीनियामाँ आफ़नो छोरी नाती र ज्वाईलाई खुकुरी प्रहार
बालेंन मेयर बाट प्रधान मन्त्रि हुने भो ?
आरको नेपालीले बेजत गर्यो फेरी अरविंग टेक्सासमा बुढ़ाहरू लाई स्कॉम गरेर
Sukulgunda 2.0 / www.sukulgunda.com
How many ministries do we really need?
NOTE: The opinions here represent the opinions of the individual posters, and not of Sajha.com. It is not possible for sajha.com to monitor all the postings, since sajha.com merely seeks to provide a cyber location for discussing ideas and concerns related to Nepal and the Nepalis. Please send an email to admin@sajha.com using a valid email address if you want any posting to be considered for deletion. Your request will be handled on a one to one basis. Sajha.com is a service please don't abuse it. - Thanks.

Sajha.com Privacy Policy

Like us in Facebook!

↑ Back to Top
free counters